在电力系统中,电流互感器的作用是把大电流变成小电流,将连接在继电器及测量仪器仪表的二次回路与一次电流的高压系统隔离,并将一次电流变换到5A或1A两种标准的二次电流值。那么电流互感器接线方式是怎样的呢?下面小编就分享一下6种不同的电流互感器接线方式,供大家参考学习。
(1)电流互感器第一种接线方式
图1是一台电流互感器用于单相回路的接线方式,适用于只能测量单相电流和单相功率及保护单相接地短路。
(2)电流互感器第二种接线方式
图2是两台电流互感器不完全星形的接线方式,适用于测量三相电流和三相功率及保护相间短路故障。
(3)电流互感器第三种接线方式
图3是两台电流互感器二相电流差的接线方式,适用于测量一相电流和保护相间短路故障。
(4)电流互感器第四种接线方式
图4是三台电流互感器星形接线方式,适用于三相四线制系统测量电流和功率,可保护任何形式的故障。
(5)电流互感器第五种接线方式
图5是三台电流互感器角形接线方式,适用于配合三个电流继电器保护各种短路故障。
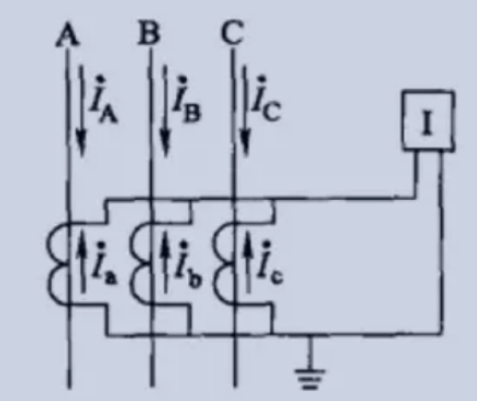
(6)电流互感器第六种接线方式
图6是三台电流互感器零序保护接线方式,适用于零序接地保护。当然测量零序电流最好的方案还是采用零序电流互感器。


